Назад

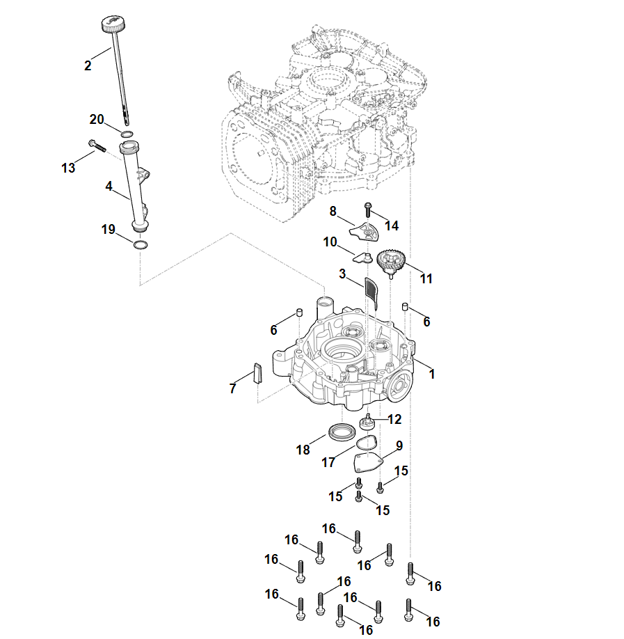
11 | K - Специальный инструмент RT 4097.1 SX | EVC 4000.1 (EVC4000-0003) | Двигатель бензиновый | Запчасти |

Ссылка № АртикулИспользуется штук Наименование Включая Цена
1 00008906502 1

Недоступен к заказу

2 00008906503 1

Недоступен к заказу

3 00008902800 1 4965 i
4 00008904501 1 5,6 7129 i
5 90083189405 2

Недоступен к заказу

6 92102610725 4

Недоступен к заказу