Назад

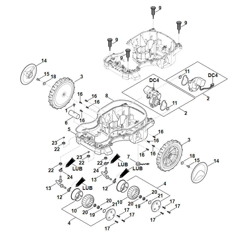
1 | A - Защитный кожух | Робот-газонокосилка RMI 422.2 P | Запчасти по России | Ремонт

Ссылка № АртикулИспользуется штук Наименование Включая Цена
1 00009676703 1 202 i
2 63017063610 1

Недоступен к заказу

3 63017802031 1 1,2,4-9,11-14

Недоступен к заказу

4 63094032300 1

Недоступен к заказу

5 63094050700 1

Недоступен к заказу

6 63099674415 2

Недоступен к заказу

7 63029674400 1

Недоступен к заказу

8 91040033003 1 700 i
9 91040074260 1 129 i
В наличии 4 шт.
Обновлено 10.04.2026 (11:34)
10 91104211287 4

Недоступен к заказу

11 63017067300 1

Недоступен к заказу

12 63017067310 1

Недоступен к заказу

13 91040074257 10 1008 i
14 63019674425 1

Недоступен к заказу