Доставка
Контакты
0
Список понравившихся изделий
Запчасти
Запчасти
0
Toggle navigation
0
Запчасти
Продукция
Газонокосилки бензиновые Штиль
Бензопилы Штиль
Бензокосы Штиль
Аэратор (скарификатор) Штиль
Электротриммеры Штиль
Газонокосилки электрические Штиль
Воздуходувы Штиль
Садовые измельчители Штиль
Электропилы Штиль
Садовые трактора Штиль
Ножницы садовые Штиль
МультиМотор ММ 56 Штиль
КомбиМотор Штиль
Опрыскиватели Штиль
Аккумуляторная техника Штиль
Культиваторы Штиль
Мойки высокого давления Штиль
Высоторезы Штиль
Газонокосилка робот Штиль
Подметальное устройство Штиль
Пылесосы Штиль
Мотобур Штиль
Бензорезы Штиль
Расходные материалы Штиль
Акции
Покупателю
Сервис
Доставка
Контакты
Главная страница
Каталог запчастей
Каталог запчастей STIHL (запчасти по России и СПБ) ремонт, запчасти, сервисное обслуживание.
Аккумуляторные двигатели MVC ремонт, запчасти, сервисное обслуживание.
MVC 600.1 X | Аккумуляторный двигатель STIHL ремонт, запчасти, сервисное обслуживание.
7 | Различные смазочные материалы и консистентные смазки | MVC 600.1 X | Аккумуляторный двигатель STIHL | Запчасти по России | Сервисное обслуживание ремонт, запчасти, сервисное обслуживание.
Назад
7 | Различные смазочные материалы и консистентные смазки | MVC 600.1 X | Аккумуляторный двигатель STIHL | Запчасти по России | Сервисное обслуживание
1 | A - Двигатель в сборе | MVC 600.1 X | Аккумуляторный двигатель STIHL | Запчасти по России | Сервисное обслуживание
Увеличить
2 | B - Корпус | MVC 600.1 X | Аккумуляторный двигатель STIHL | Запчасти по России | Сервисное обслуживание
Увеличить
3 | C - Держатель аккумуляторной батареи, электроника, электродвигатель | MVC 600.1 X | Аккумуляторный двигатель STIHL | Запчасти по России | Сервисное обслуживание
Увеличить
4 | D - Специальный инструмент | MVC 600.1 X | Аккумуляторный двигатель STIHL | Запчасти по России | Сервисное обслуживание
Увеличить
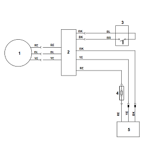
5 | E - Электрическая схема | MVC 600.1 X | Аккумуляторный двигатель STIHL | Запчасти по России | Сервисное обслуживание
Увеличить
6 | Средства для ухода | MVC 600.1 X | Аккумуляторный двигатель STIHL | Запчасти по России | Сервисное обслуживание
Увеличить
7 | Различные смазочные материалы и консистентные смазки | MVC 600.1 X | Аккумуляторный двигатель STIHL | Запчасти по России | Сервисное обслуживание
Увеличить
Показать все схемы
Сервис
Официальный сервис
Доставка
Доставка по России
Запчасти
Оригинальные запчасти
Скидки
Для сервисных центров
7 | Различные смазочные материалы и консистентные смазки | MVC 600.1 X | Аккумуляторный двигатель STIHL | Запчасти по России | Сервисное обслуживание
1 | A - Двигатель в сборе | MVC 600.1 X | Аккумуляторный двигатель STIHL | Запчасти по России | Сервисное обслуживание
2 | B - Корпус | MVC 600.1 X | Аккумуляторный двигатель STIHL | Запчасти по России | Сервисное обслуживание
3 | C - Держатель аккумуляторной батареи, электроника, электродвигатель | MVC 600.1 X | Аккумуляторный двигатель STIHL | Запчасти по России | Сервисное обслуживание
4 | D - Специальный инструмент | MVC 600.1 X | Аккумуляторный двигатель STIHL | Запчасти по России | Сервисное обслуживание
5 | E - Электрическая схема | MVC 600.1 X | Аккумуляторный двигатель STIHL | Запчасти по России | Сервисное обслуживание
6 | Средства для ухода | MVC 600.1 X | Аккумуляторный двигатель STIHL | Запчасти по России | Сервисное обслуживание
7 | Различные смазочные материалы и консистентные смазки | MVC 600.1 X | Аккумуляторный двигатель STIHL | Запчасти по России | Сервисное обслуживание
№
1
2
3
Ссылка №
Артикул
Используется штук
Наименование
Включая
Цена
1
07811201109
1
Многоцелевая смазка 80 g
Используется в агрегатах
2364
i
2
07811201118
1
Специальная смазка STIHL | для конических шестерён редуктора
Используется в агрегатах
2527
i
3
07811201110
1
Смазка многоцелевая STIHL 225g | для всех открытых деталей приводного механизма
Используется в агрегатах
2527
i