Назад

9 | I - Система зажигания, маховик | EVC 200.0 (EVC200-0001) | Двигатель бензиновый STIHL | Запчасти по России | Сервисное обслуживание

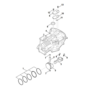
Ссылка № АртикулИспользуется штук Наименование Включая Цена
1 00040820500 1

Недоступен к заказу

2 00040820501 2

Недоступен к заказу

3 00041601000 1 4621 i
4 00044001200 1 11116 i
5 00044001300 1 11 7462 i
6 00044007000 1 1582 i
7 00049519702 2

Недоступен к заказу

8 00049519703 1

Недоступен к заказу

9 00049550900 1 1083 i
10 00049975500 1 1083 i
11 00044400300 1

Недоступен к заказу